FAIRINO
FAIRINO FR3
FAIRINO FR3 特徴
FR3は、ヒューマンロボット協働技術の定義に基づいた、新世代の6軸コボット製品です。3C、半導体、金属加工、工業用接着、ニューリテールなどの業界をカバーし、柔軟な知的製造アプリケーションに最適なソリューションを提供します。
仕様
| 最大可搬 |
3kg |
| リーチ | 622mm |
| 繰り返し精度 | ±0.02mm |
| 保護等級 | IP54(オプションでIP65) |
| 電源タイプ | AC |
| 本体重量 | ≈15kg |
商品情報
FAIRINO FR3の特徴
1.協働型ロボットの新基準
安全性と高性能を兼ね備え、作業者と肩を並べて働くことができる設計です。
2.コンパクトな設計
狭い場所や複雑なラインに最適で、多様な作業環境にも容易に適応します。
3.簡単操作
プログラミング不要の直感的な操作で、専門知識がなくてもすぐに導入可能。
4.高い柔軟性
多様なツールの取り付けや、多彩な作業に対応できるアーム構造。
5.安全性の確保
センサー搭載により、作業者との接触を検知し、安全に運用できます。
FAIRINO FR3導入メリット
1.作業効率の向上
繰り返し作業や危険な作業を自動化し、生産性を大幅に向上させます。
2.安全な作業環境
人と共同で作業できるため、安全性を確保しながら生産ラインをシンプルに保てます。
3.導入コストの削減
複雑なプログラミング不要で、短期間での立ち上げが可能。人的コストも抑制できます。
4.フレキシブルな運用
ライン変更や作業内容の更新も容易に対応でき、長期的な活用が期待できます。
5.初心者でもすぐに使える
特別な技術や知識が不要なため、導入のハードルが低く、迅速に効果を実感できます。
製品梱包セット内容

ACコントローラ

ACコントローラ入出力

本体入出力

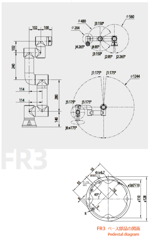
外形・動作範囲

ロボット購入・システムご相談はこちらから